MWMECH
MWG-1908
sim
aço para matrizes para trabalho a quente, SUJ2, SKD11, S45C
| Status de disponibilidade: | |
|---|---|
| Quantidade: | |
|
| |
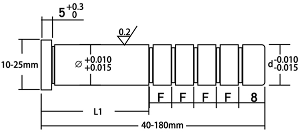
O pilar guia é usado em combinação com outros componentes do molde para garantir que o molde se mova com posição e rota precisas.Geralmente é cilíndrico com ressalto e ranhura para óleo.O material usual é SUJ2, aço para matriz quente, ferro de laminação fácil, etc. É capaz de prevenir o desgaste e danos do molde e facilita a manutenção, pois pode ser instalado e removido da placa.
A redondeza do pilar guia é muito essencial.Para retificar o diâmetro externo, a retificadora cilíndrica deve usar o centro da fita contra o orifício central para que o pilar guia possa girar.
De acordo com o uso, os pilares de guia são para molde de carro, uso independente, estrutura de matriz, placa de descarga, etc.
Normalmente, a superfície cilíndrica interna é ø32H7, Ra0.2um;a superfície cilíndrica exterior ø45R6, Ra0.4um.
Dureza: 58-62HRC
Rugosidade da superfície: Ra0,4-0,8
Tolerância de precisão: +/-0,005 mm
Concentricidade: +/-0,01 mm
Tolerância de retidão: 0,002 mm
Tolerância de arredondamento: 0,002 mm
Tratamento de superfície: tratamento térmico de cementação
Aplicação: matriz de estampagem, molde de fundição sob pressão, molde de plástico
Escopo de tamanho normal
![]() | ![]() | ![]() |
Bucha de guia de pilar de tamanho regular GP em estoque
Você precisa fornecer desenhos claros e requisitos para que nossos engenheiros entendam completamente.
Também podemos fornecer peças mecânicas de precisão como abaixo:
componente de usinagem CNC,
punção de linha de montagem,
Perfurador de cabeça de linha de montagem,
Linha de montagem de conexão - peças do adaptador,
Monte os componentes da placa de montagem da linha,
Garra de Metal da Linha de Montagem,
Montar mangas de guia de linha,
Montar inserções de orientação de linha,
Monte as peças do conector de flange de linha,
Dispositivo de linha de montagem,
Peças de orientação para linha de montagem,
Peças de medição para linha de montagem,
peças de inspeção,
Cortadores divisores de metal não padronizados Montam ferramentas de linha…
Os clientes são obrigados a fornecer códigos padrão e desenhos para preço de oferta e processamento.
Boa consistência, qualidade estável, tolerâncias +/-0,005.
Prazo de entrega rápido 5-7 dias para tamanho regular.
Interior: saco plástico de bolhas, saco PE ou selo de plástico com óleo anticorrosivo mais caixa de papelão externa ou outro pacote seguro.
![]() | ![]() |
Os principais métodos de tratamento de superfície dos acessórios de matrizes são: galvanoplastia, pulverização, polimento, anodização, escurecimento, etc.
A função é melhorar a aparência, resistência à corrosão e resistência ao desgaste das peças do molde.Cada um tem seu próprio ambiente de uso exclusivo e condição conforme abaixo:
Galvanoplastia de material de aço
Galvanoplastia-Galvanoplastia é um método de tratamento da superfície de componentes de moldes de precisão com uma camada de filme de metal.Diferentes metais, como cromo, zinco ou níquel, são usados como revestimentos em diferentes ambientes de utilidade.
Uso: É usado para peças com requisitos de baixa precisão dimensional.Como a uniformidade da espessura da galvanoplastia não é fácil de controlar, o processamento acessório é necessário para garantir a precisão quando a precisão dimensional é alta.
Pulverização de material de aço
A pulverização refere-se ao método de tratamento de pulverização de uma camada de revestimento na superfície das peças do molde de precisão.
Uso: Pode ser usado como tratamento de superfície final para peças que requerem alta precisão dimensional e alta resistência ao desgaste.
Polimento de material de aço
Polimento refere-se a tratar a superfície em um estado liso, plano e livre de rebarbas.
Uso: Para melhorar a aparência, a microrrugosidade e a resistência ao desgaste das peças do molde e da matriz.
Aço Comum Escurecimento
O escurecimento refere-se ao método de tratamento da superfície das peças do molde em uma camada de filme de óxido preto.
Uso: Aço comum como um tipo de material de peças de molde, se as necessidades de desempenho e os requisitos de resistência à corrosão não forem altos, o tratamento de escurecimento pode economizar custos.
Anodização de Alumínio
Anodização- Anodização refere-se ao tratamento da superfície das peças da matriz em uma camada de filme de óxido.
Uso: Por causa de sua baixa dureza, geralmente usado como acessórios auxiliares de molde.
Você pode ter muitas opções de tratamentos de superfície de acordo com suas necessidades.Abaixo estão alguns métodos usuais que usamos.
Perguntas frequentes
P: qual serviço você pode fazer?
UM: OEM/ODM.Amostras grátis disponíveis após a confirmação do preço, mas você precisa compartilhar o frete da amostra.Produzimos as peças por desenho ou amostra do cliente.No que diz respeito à proteção da propriedade intelectual dos clientes, não vendemos o mesmo produto de nossos clientes a terceiros.
P: Quais dados o cliente deve fornecer para uma cotação precisa?
A: Os desenhos ou amostras, quantidade, tolerância, padrão, material, acabamento de superfície, outros requisitos especiais, etc.
Q: Quais são os seus métodos de entrega?
A: DHL, EMS, UPS, transporte terrestre ou frete marítimo disponível.
Q: Como você garante o controle de qualidade?
R: inspeção completa com relatório de teste e certificado de composição do material para cada pedido e serviço pós-venda de 1 ano para reparo gratuito ou substituição de produtos deficitários.Taxa de reparo quase zero e produtos defeituosos, todos substituídos ou reparados gratuitamente.
Q: Quanto tempo é o seu prazo de entrega?
A: 10-30days até a quantidade.
P: com quais tratamentos de superfície você pode lidar?
A: nitreto de titânio (TiN), TiCN, revestimento de titânio, escurecimento, carburação, revestimento de zinco, revestimento de zinco, galvanização, placa cromada, etc.
P: qual é o seu prazo de pagamento?
R: t/t, l/c, western union, paypal, etc.
O pilar guia é usado em combinação com outros componentes do molde para garantir que o molde se mova com posição e rota precisas.Geralmente é cilíndrico com ressalto e ranhura para óleo.O material usual é SUJ2, aço para matriz quente, ferro de laminação fácil, etc. É capaz de prevenir o desgaste e danos do molde e facilita a manutenção, pois pode ser instalado e removido da placa.
A redondeza do pilar guia é muito essencial.Para retificar o diâmetro externo, a retificadora cilíndrica deve usar o centro da fita contra o orifício central para que o pilar guia possa girar.
De acordo com o uso, os pilares de guia são para molde de carro, uso independente, estrutura de matriz, placa de descarga, etc.
Normalmente, a superfície cilíndrica interna é ø32H7, Ra0.2um;a superfície cilíndrica exterior ø45R6, Ra0.4um.
Dureza: 58-62HRC
Rugosidade da superfície: Ra0,4-0,8
Tolerância de precisão: +/-0,005 mm
Concentricidade: +/-0,01 mm
Tolerância de retidão: 0,002 mm
Tolerância de arredondamento: 0,002 mm
Tratamento de superfície: tratamento térmico de cementação
Aplicação: matriz de estampagem, molde de fundição sob pressão, molde de plástico
Escopo de tamanho normal
![]() | ![]() | ![]() |
Bucha de guia de pilar de tamanho regular GP em estoque
Você precisa fornecer desenhos claros e requisitos para que nossos engenheiros entendam completamente.
Também podemos fornecer peças mecânicas de precisão como abaixo:
componente de usinagem CNC,
punção de linha de montagem,
Perfurador de cabeça de linha de montagem,
Linha de montagem de conexão - peças do adaptador,
Monte os componentes da placa de montagem da linha,
Garra de Metal da Linha de Montagem,
Montar mangas de guia de linha,
Montar inserções de orientação de linha,
Monte as peças do conector de flange de linha,
Dispositivo de linha de montagem,
Peças de orientação para linha de montagem,
Peças de medição para linha de montagem,
peças de inspeção,
Cortadores divisores de metal não padronizados Montam ferramentas de linha…
Os clientes são obrigados a fornecer códigos padrão e desenhos para preço de oferta e processamento.
Boa consistência, qualidade estável, tolerâncias +/-0,005.
Prazo de entrega rápido 5-7 dias para tamanho regular.
Interior: saco plástico de bolhas, saco PE ou selo de plástico com óleo anticorrosivo mais caixa de papelão externa ou outro pacote seguro.
![]() | ![]() |
Os principais métodos de tratamento de superfície dos acessórios de matrizes são: galvanoplastia, pulverização, polimento, anodização, escurecimento, etc.
A função é melhorar a aparência, resistência à corrosão e resistência ao desgaste das peças do molde.Cada um tem seu próprio ambiente de uso exclusivo e condição conforme abaixo:
Galvanoplastia de material de aço
Galvanoplastia-Galvanoplastia é um método de tratamento da superfície de componentes de moldes de precisão com uma camada de filme de metal.Diferentes metais, como cromo, zinco ou níquel, são usados como revestimentos em diferentes ambientes de utilidade.
Uso: É usado para peças com requisitos de baixa precisão dimensional.Como a uniformidade da espessura da galvanoplastia não é fácil de controlar, o processamento acessório é necessário para garantir a precisão quando a precisão dimensional é alta.
Pulverização de material de aço
A pulverização refere-se ao método de tratamento de pulverização de uma camada de revestimento na superfície das peças do molde de precisão.
Uso: Pode ser usado como tratamento de superfície final para peças que requerem alta precisão dimensional e alta resistência ao desgaste.
Polimento de material de aço
Polimento refere-se a tratar a superfície em um estado liso, plano e livre de rebarbas.
Uso: Para melhorar a aparência, a microrrugosidade e a resistência ao desgaste das peças do molde e da matriz.
Aço Comum Escurecimento
O escurecimento refere-se ao método de tratamento da superfície das peças do molde em uma camada de filme de óxido preto.
Uso: Aço comum como um tipo de material de peças de molde, se as necessidades de desempenho e os requisitos de resistência à corrosão não forem altos, o tratamento de escurecimento pode economizar custos.
Anodização de Alumínio
Anodização- Anodização refere-se ao tratamento da superfície das peças da matriz em uma camada de filme de óxido.
Uso: Por causa de sua baixa dureza, geralmente usado como acessórios auxiliares de molde.
Você pode ter muitas opções de tratamentos de superfície de acordo com suas necessidades.Abaixo estão alguns métodos usuais que usamos.
Perguntas frequentes
P: qual serviço você pode fazer?
UM: OEM/ODM.Amostras grátis disponíveis após a confirmação do preço, mas você precisa compartilhar o frete da amostra.Produzimos as peças por desenho ou amostra do cliente.No que diz respeito à proteção da propriedade intelectual dos clientes, não vendemos o mesmo produto de nossos clientes a terceiros.
P: Quais dados o cliente deve fornecer para uma cotação precisa?
A: Os desenhos ou amostras, quantidade, tolerância, padrão, material, acabamento de superfície, outros requisitos especiais, etc.
Q: Quais são os seus métodos de entrega?
A: DHL, EMS, UPS, transporte terrestre ou frete marítimo disponível.
Q: Como você garante o controle de qualidade?
R: inspeção completa com relatório de teste e certificado de composição do material para cada pedido e serviço pós-venda de 1 ano para reparo gratuito ou substituição de produtos deficitários.Taxa de reparo quase zero e produtos defeituosos, todos substituídos ou reparados gratuitamente.
Q: Quanto tempo é o seu prazo de entrega?
A: 10-30days até a quantidade.
P: com quais tratamentos de superfície você pode lidar?
A: nitreto de titânio (TiN), TiCN, revestimento de titânio, escurecimento, carburação, revestimento de zinco, revestimento de zinco, galvanização, placa cromada, etc.
P: qual é o seu prazo de pagamento?
R: t/t, l/c, western union, paypal, etc.
Add.: No.1518, F15, Building 1, Qianhai Life Financial Center, Jinqiao 3rd Road 418#, Chanba Ecological District, Xi'an, Shaanxi, China.